
- Hitrost zapiranja: 15-30 kosov/min
- Nazivna napetost: 110V/60Hz (standard ZDA)
- Moč stroja: 0,8KW
- Amper: 2,2 A
- Zunanja dimenzija: 2230*1460*1600 MM (D*Š*V)
- Zračni tlak: 0,7 MPa
- Teža: približno 300 KG
Obvestilo pred zagonom stroja za zapiranje steklenic
1: Preden stroj priključite, se prepričajte, da je stikalo za vklop v zaprtem stanju, nato sledite navodilom.
2: Če stroj dlje časa ne deluje, ga obrišite s kosom suhe krpe in ga ne smete čistiti z nobenim jedkim čistilnim sredstvom.
3: Strogo je prepovedano vbrizgavanje kakršne koli tekočine v električno omarico stroja, da preprečite korozijo notranjih električnih komponent in povzročite kratek stik.
4: Preverite modele, specifikacije in količino opreme in materialov na seznamu pakiranja opreme, da se prepričate, da izpolnjujejo zahteve standardov za oblikovanje in izdelke ter jih spremljajo certifikati o skladnosti.
5: Preverite videz opreme, da se prepričate, da ni deformacij, poškodb in korozije, in vsa vretena, da se morajo prožno vrteti brez kakršnih koli blokad.
6: Ta stroj deluje pod enofaznim AC 110 V in ploski 3-kraki napajalni vtič mora biti priključen v vtičnico z ozemljitveno žico.
Tehnični parametri

- Hitrost zapiranja: 15-30 kosov/min
- Nazivna napetost: 110V/60Hz (standard ZDA)
- Moč stroja: 0,8KW
- Amper: 2,2 A
- Zunanja dimenzija: 2230*1460*1600 MM (D*Š*V)
- Zračni tlak: 0,7 MPa
- Teža: približno 300 KG
Stroj za zapiranje v podrobnostih:



Strukture stroja

Opis električnega očesa z optičnim vlaknom
Električno oko za zaznavanje steklenic:

Ko se upravlja v samodejnem načinu, je namen tega električnega očesa zaznavanje prihajajočih steklenic.
Ko je steklenica zaznana, se "vrtljiva plošča" zavrti.
Lid-Delivery Electric Eye

Ko deluje v samodejnem načinu, je namen tega električnega očesa zaznavanje prihajajočih naslovnic.
Ko je zaznan vstopni pokrov, se "izvlečni mehanizem" dvigne za prevzem materiala.
Lid-Delivery Electric Eye

Ko deluje v samodejnem načinu: Namen tega električnega očesa je zaznavanje prihajajočih steklenic.
Ko je steklenica zaznana, "mehanizem zaklepnega pokrova" obrne zaporni pokrov navzdol.
Gumb za stikalo in vrata za ožičenje
Zaslon na dotik in zaustavitev v sili

Podajalni motor in regulator vibracijske plošče pokrova

Krmilnik vibracijske plošče

Krmilnik vibracijske plošče: s prilagajanjem napetosti prilagodite hitrost praznjenja.
Stikalo in vtičnice

Krmilnik motorja

Frekvenčni transformator: s prilagajanjem gumba frekvenčnega transformatorja prilagodite hitrost motorja.
Metoda alarma in odpravljanja težav:
1. Pritisnjena je bila zaustavitev v sili. Potisnite zapore v sili na pokrovu stroja in poleg zaslona na dotik.
2. Izhod doseže nastavljeno vrednost. Nastavite izhod, pritisnite gumb za brisanje, da počistite trenutni izhod.
3. Če pokrovčkov dlje časa ne zaznate, preverite. Preverite indukcijsko vlakno pokrovčka steklenice, ali je dobro nameščeno. Preverite, ali so pokrovčki na mestu ali ne.
4. Če steklenice niso zaznane dlje časa, preverite. Preverite, ali so steklenice na mestu.
Električna nastavitev oči:
Struktura ojačevalnika

Diagram za optična vlakna:

1. Zaklepna palica za optična vlakna
2. Indikator stanja delovanja
3. Set
4. Indikatorska lučka DSC
5. Digitalni monitor
6. Ročni gumb
7. Podaljšan zaščitni pokrov
8. Razširitveni konektor
9. Stikalo za izbiro moči
10. Gumb za način
11. Izbirnik izhoda
12. Kabli
13. Zaščita pred prahom
14. Nastavljena vrednost (zeleno)
15. Trenutna vrednost (rdeče)
Delovni proces za nastavitev optičnih vlaken
- Ko električno oko pade v režo, je vrednost rdečega toka 144.
- Ko električno oko pade na etiketo, je vrednost rdečega toka 4.
- Prilagodite nastavljeno vrednost", približno 1/2 vrednosti električnega očesa na papirju telesa (v reži med predmeti, ki jih je treba zaznati) in vrednosti električnega očesa na papirju je nastavljena vrednost (144 4)/2=74, nastavite ročni gumb, da nastavite nastavljeno vrednost na 74.
- Premaknite vrzel nalepke naprej in nazaj na mestu električnega očesa in rdeče "signalne lučke/indikatorske lučke".
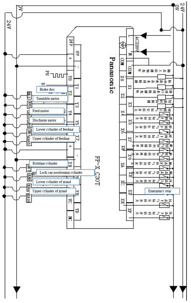
Shema vezja



Stroj za zapiranje steklenic za vzdrževanje

1. Potrebno je preveriti in vzdrževati stroj, da podaljšate stroj in optimizirate delovanje stroja;
- Delovni stroj je treba vzdrževati vsake tri mesece;
- Ležaj in del zobniškega prenosa je treba namazati z mastjo;
- Mazanje je treba opraviti občasno;
- Olje za drsno pot (N68) je treba dodati v del, kot je gibanje izmeničnega mehanizma ali dvigovanje dvakrat na dan;
- Avtomobilsko olje (N68) je treba dodati v rotacijske ali nihajne dele;
- Vsake pol meseca dodajte mast v režo odmikača;
- Vsak mesec enkrat za oljno šobo z dodajanjem masti;
2. Nikoli ne uporabljajte kovinskih orodij za udarjanje ali strganje po površini, kjer je vez nakopičena na delih, kot so komponente ali plesen.
3. Če stroj preneha delovati za dalj časa, dodajte mast za mazanje v dele, kot sta menjalnik ali ležajni del; Stroj zaščitite tudi z vodoodporno zaščito.
4. Na stroj nikoli ne postavljajte nobenih predmetov, da ga ne bi poškodovali.
5. Občasno očistite prah znotraj komponent, prav tako preverite vse vijake in popravite morebitne zrahljane vijake.
6. Ob določenem času preverite vijake v sponkah za ožičenje in se prepričajte, da je vijak pritrjen;
7. Preverite, ali je na raztegnjeni poti ožičenja od električnih omaric kakšna ohlapna postaja; Če je del preveč ohlapen, ponovno privijte vijak, da preprečite odrgnino ali poškodbo izolacijske plasti, ki lahko povzroči uhajanje električnega toka.
8. Preverite lahko obrabljive patke in pravočasno zamenjajte poškodovane;









