
- Pokrovne glave: 2 kosa servo-moto pogona
- Napetost: 220V, 50/60HZ;
- Moč: 3.0Kw
- Zračni tlak: 0,5–0,7Mpa
- Amper: 8,5 A
- Hitrost: 40-45/min (prilagojeno glede na oblike in velikosti kozarcev)
- Primeren premer izdelka: pokrovi φ28-φ125 mm(nestandardno prilagojeni)
- Prepustnost žleze: ≥99,5 %(Odvisno od napake pokrova in steklenice)
- Velikost stroja: 3300 * 1150 mm * 1908 mm
- Teža: 450 kg
Preden vklopite stroj. Zaradi varnosti in pravilne uporabe stroja natančno preberite ta priročnik. Da bi se izognili nesrečam osebja in zmanjšali pogostost poškodb stroja.
V primeru korozivnih izdelkov pazite, da se jedki predmeti ne dotaknejo samega stroja in osebja ali jih poškropijo.
- Izogibajte se uporabi stroja na mestih, ki so izpostavljena tresljajem ali trkom.
- Ko stroj deluje, se telo osebja ne more dotakniti gibljivih delov.
- Stroju se je treba izogibati na preveč vlažnih mestih. In ga vnesite v napajalnik, ozemljitveno žico pravilno ozemljite, da preprečite varnostno nesrečo.
- Upravljavec mora vzdrževati normalno fizično in duševno stanje. Če jemljete alkohol, uspavalne tablete ali druga zdravila, ki škodijo vašemu duševnemu stanju, prenehajte z uporabo stroja.
- Upravljavec mora nositi ustrezna oblačila, da se izogne poškodbam zaradi vpletenosti oblačil v kotalne dele, in na stroj ne sme odlagati nobenih tujih predmetov.
- Če se med uporabo pojavi hrup ali druge nepravilnosti, takoj prenehajte in preverite. Tehniki, ki niso inženirji, prosimo, da delov stroja ne prenašate samovoljno.
- Redno (enkrat/tedensko) vzdrževanje in nega, izogibanje škropljenju vode ali kakršne koli tekočine in elektronske krmilne omarice ali druge električne komponente pri čiščenju stroja.
- Delajte v skladu z običajnimi delovnimi postopki in vzdržujte površino stroja čisto in urejeno.
Stroj za zapiranje se uporablja za vse vrste kozmetike, medicine, veterinarske medicine, pesticidov, mazalnih olj in drugih industrijskih področij v procesu pakiranja.





Načelo in značilnosti stroja za zapiranje kozarcev:
- Električni avtomatski nadzor, je stabilen;
- Z napravo za pozicioniranje pokrovčka, standardno zaklenjenim pokrovom je delovanje priročno;
- Lock pokriva širok razpon, lahko zavrti različne oblike specifikacije pokrovčka;
- Omejitev hitrosti, zapora vrtenja, lahko hkrati glede na potrebo prilagodi tesnost navijanja nazaj.


Osnovni parametri stroja za zapiranje kozmetičnih kozarcev:

1. Zapiralne glave: 2 kosa servo-moto pogona
2. Napetost: 220V, 50/60HZ;
3. Moč: 3.0Kw
4. Zračni tlak: 0,5--0,7Mpa
5. Amper: 8,5 A
6. Hitrost: 40-45/min (prilagojeno glede na oblike in velikosti kozarcev)
7. Primeren premer izdelka: pokrovi φ28-φ125 mm (nestandardno prilagojeni)
8. Stopnja prepustnosti žleze: ≥99,5 % (odvisno od napake pokrova in steklenice)
9. Velikost stroja: 3300 * 1150 mm * 1908 mm
10. Teža: 450 kg
Opis gostiteljskega dela


Stikalo za vklop: krmiljenje napajanja vklopljeno --- izklopljeno.
Indikator napajanja: vklop—zelena lučka sveti, izklop—zelena lučka ugasnjena.
Zaustavitev v sili: Uporablja se za takojšnjo zaustavitev stroja ali za ponastavitev funkcije v sili ali napaki.
1. Zaženite fotoelektrični: Stroj deluje, ko fotoelektrična detekcija zazna, da je steklenica in ima pokrov, lahko začne delovati gramofon. Če eden od dveh fotoelektrikov ni zaznan, se gramofon ne vrti.
2. Izvor fotoelektrični: Uporablja se za krmiljenje koračnega motorja za poganjanje pozicioniranja vrtljive plošče, tako da je steklenico mogoče gladko vstaviti v pokrov.
3. Fotoelektričnost pokrovčka: Preverite, ali je pokrov na svojem mestu, in fotoelektrično zaznajte, da je pokrov vrtljiv.
4. Fotoelektričnost pokrova: Nadzor zagona in zaustavitve stroja za zgornji pokrov, ko je pokrov, ki ga zagotavlja stroj za zgornji pokrov, razvrščen v položaj, ki ga zazna fotoelektrika, je fotoelektrika vedno svetla, stroj za pokrov se ustavi za pokrov in izvede se inteligentni pokrov .
5. Fotoelektričnost pokrova ključavnice: Ko gre steklenica s pokrovom mimo, se zazna fotoelektrična detekcija in pokrov ključavnice se aktivira v skladu z nastavljenim zakasnitvenim časom (posebni parametri se prilagodijo glede na hitrost tekočega traku, ko je stroj nastavljen).
6. Sistem pokrova ključavnice: Steklenica s pokrovom je enaka, fotoelektrična zakasnitev zagona, zakasnitev do steklenice s spono cilindra, pokrovček zaklepa je spuščen, pokrov ročaja - pokrovček z navojem - sprostitev prijemala - pokrovček zaklepa se dvigne - steklenica s sponkami je zrahljana, in postopek zaklepanja je končan. V pokrov ključavnice, ko je pokrov ključavnice 1 # v pokrovu ključavnice, vstopi druga steklenica. V tem času se premakne valj steklenice s spono 2# in aktivira se pokrov ključavnice 2#, da zaklene pokrov. (Ko pokrovček, ki je bil zaklenjen z glavo ključavnice 2#, gre mimo steklenice sponke 1#, ne ponovite pokrov ključavnice.

Opis vmesnika človek-stroj

Zagonska stran
3.1 Zagonska stran ima izbiro operacij v angleščini, kitajščini, če izberete gumb za kitajščino, vnesite naslednji vmesnik:

Drugi vmesnik
Stop: Stikalo za zagon celotnega stroja, dotaknite se te tipke, stroj deluje v samodejnem načinu, znova se dotaknite te tipke, stroj preneha delovati.
Testna vrata: Preizkusite delovanje stroja.
Hitrost vrtljive plošče: Večji kot je parameter hitrosti, večja je hitrost, počasnejši je parameter hitrosti.(Vendar obstaja največja omejitev.)。
Zakasnitev gramofona: Nastavitve časa zagona gramofona v skladu z učinkom gladkega teka gramofona, ki ga je treba nastaviti.
Omejitev zamika: Po gramofonu do določene postaje odložite čakalni čas, akcijski pokrov cilindra.
Čas zapiranja: Čas, potreben za tesnjenje jeklenke.
Izhod: Izpolnite zapis številke pokrova ključavnice, priročno štetje proizvodnje. Za brisanje pritisnite tipko za ponastavitev.
X1. X3. X14: Preverite, ali je fotoelektrika v delovnem stanju odseva, enostavno videti delovanje stanja stroja,
Parameter omejitve: Pritisnite to tipko in vstopite v naslednji vmesnik:

Vmesnik je stran s parametri, ki se nastavi za vsako dejanje glave ključavnice 1 # v sistemu pokrova servo ključavnice, razumna nastavitev parametrov je koristna za stabilnost stroja in izboljšanje učinkovitosti.
Vrnitev: Pritisnite ta gumb, da se vrnete na drugi vmesnik.
V/I: Pritisnite ta gumb za vstop v naslednji vmesnik:

Točke serije X: Je vhodna točka za zaznavanje, ali je fotoelektrika v delovnem stanju, enostavno videnje delovanja stroja, enostavno vzdrževanje.
Točke serije Y: Je izhodna točka izvršilnih komponent normalnega stanja povratnih informacij, lahko tudi ročno pritisnete tipko za upravljanje, da preizkusite, ali so izvedbene komponente normalne.
Sistem dovajanja pokrovčkov: Lahko je stabilen in urejen glede na predpisano smer za pokrivanje.
Nastavitev naklona: razumen kot je mogoče prilagoditi za nadzor vzvratnega pokrova, ki ne zleze v drsnik.
Regulacija frekvenčnega pretvornika: nadzor hitrosti pokrova.


Vzdrževanje opreme za zapiranje kozarcev:
1. Vzdržujte stroj v stanju izklopljenega napajanja in plina, da zagotovite varnost. Stroj naj bo čist in urejen, na njem naj ne bo nobenih drobnih predmetov, majhnih predmetov, dodatkov, vijakov itd.
2. Mehanizem gibljivih delov se redno dodaja mazalno olje, da se zagotovi dobro delovanje mehanizma.
3. Redno izpuščajte vodo iz enote zračnega filtra in dodajte mazalno olje, da zagotovite pravilno uporabo jeklenke in podaljšate življenjsko dobo.
4. Redno preverjajte in popravljajte stroj. Stanje delovanja opreme presodite z vidom in ušesom, da zagotovite, da stroj dobro deluje.
Opomba: Prosimo, uporabljajte in vzdržujte v strogem skladu z navodili, garancijsko obdobje je strogo prepovedano odpreti in razstaviti, sicer je škoda, ki jo povzroči ta škoda, brez brezplačnega popravila. To navodilo se lahko spremeni brez predhodnega obvestila; če še vedno obstaja kakršna koli negotovost glede delovanja tega stroja, nas kadar koli pokličite za vprašanja
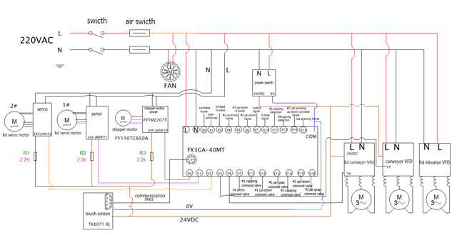
Priložena električna shema:

Končani zaprti zamaški vzorci stroja za zapiranje kozarcev:





Oznake: za kvadratne črne kozarce, ker so pokrovčki dovzetni za praske, je zasnovan s sistemom za pobiranje, ki potegne pokrovčke kozarcev iz pladnjev in jih postavi v postajo, pripravljeno za zapiranje, za postopek zapiranja pokrovčkov. Podroben princip delovanja je prikazan na naslednji način: Delovni proces:
1. Ročno vstavljanje pokrovčkov v pladenj (15*15 ali 10*10)

2. Postavljanje pladnjev v pripravljeno prevzemno postajo
3. Roboti pobirajo kozarce

4. Namestitev steklenic in zaključek procesa zamašitve
5. Izhod zaprtih kozarcev











